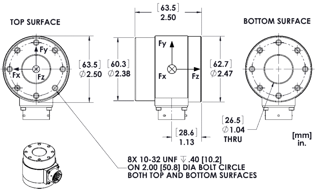
Stainless Steel Compact Cylindrical Force-Torque Sensor
Model No. SD2.5D
As the stainless steel version of the AD2.5D, this transducer offers an even higher load range for AMTI’s most popular load cell. Available in multiple capacities up to 2,000 lbs (see Specifications Tables), the SD2.5D is built with a rugged, stainless steel body for superior protection and longevity.
The SD2.5D features six-channel output and is constructed with a cylindrical strain element with a stainless steel cover to ensure mechanical protection of the gages. The top and bottom surfaces of the sensor have threaded attachments for convenient and secure mounting.
See the Specifications Tables below for more details.
Complete your system with our state-of-the-art Gen-5 amplifier
AMTI's Gen-5 signal conditioner (amplifier) features advanced functionality and built-in digitization to provide you with a powerful and flexible system. Connect to your PC and start collecting data straight out of the box.
Learn More
System Information
AMTI's industrial sensors can be paired with optional components to create a complete system.
Transducer Cable
- 30 ft. standard length
- Connects amplifier to force sensor
- Data transfer and power supply
Specifications & Details
Review detailed force transducer specifications and model versions below.