Compact General Purpose 6-Axis Force-Torque Sensor

Model No. MC3A

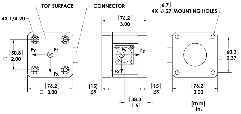
The MC3A is a rugged and compact 6 degree-of-freedom (6DOF) multi-axis transducer, ideal for a wide variety of applications. The 3 x 3 x 3 in. transducer features threaded inserts and through-holes that act as attachment points. Elastomeric O-ring seals provide internal protection of the strain gages and wiring from industrial environments and moisture exposure.


The MC3A is available in 4 capacities ranging from a 100 lb to 1000 lb vertical load capacity (see Specifications Tables). Common applications for this transducer include research and development in robotics, ergonomics, production processes, biomechanics, and dynamics. A waterproof version of this sensor, the SF3, is available for use in tow tanks, ocean engineering, and other underwater applications.

The body of the load cell is manufactured from a high-strength aluminum alloy to withstand harsh environments, and an anodized finish to protect the exterior from corrosion.

This precision transducer features high stiffness, high sensitivity, low crosstalk, and excellent repeatability. It exhibits the inherent ruggedness of bonded strain gauge transducers with the added protection of seals to prevent environmental contamination. Built-in overload stops provide added protection in case the compressive capacity of the transducer is accidentally exceeded.

See the below for more details.

Complete your system with our state-of-the-art Gen-5 amplifier

AMTI's Gen-5 signal conditioner (amplifier) features advanced functionality and built-in digitization to provide you with a powerful and flexible system. Connect to your PC and start collecting data straight out of the box.
Learn More

Need a waterproof version of this sensor?
Explore the SF3.

SF3 Sensor
System Information
AMTI's industrial sensors can be paired with optional components to create a complete system.

Specifications & Details

Review detailed force transducer specifications and model versions below.

Technical Drawings