General Purpose Cylindrical Force-Torque Sensor
Model No. AD2.5D
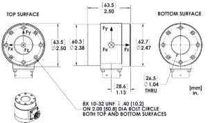
The AD2.5D is a cylindrical, compact sensor manufactured with high strength aluminum designed to withstand demanding use with superior durability. This transducer is sized at 2.5 x 2.5 in. and is equipped with threaded attachments points on its top and bottom surfaces.
The six-axis AD.25D is available in four vertical load capacities of 100, 250, 500, or 1,000 lbs (see Specifications Tables). Complete with an anodized finish, this strain gage load cell also features an internal aluminum shell to ensure mechanical protection of the sensing elements and wiring.
See the Specifications Tables below for more details.
Complete your system with our state-of-the-art Gen-5 amplifier
AMTI's Gen-5 signal conditioner (amplifier) features advanced functionality and built-in digitization to provide you with a powerful and flexible system. Connect to your PC and start collecting data straight out of the box.
Learn More
System Information
AMTI's industrial sensors can be paired with optional components to create a complete system.
Transducer Cable
- 30 ft. standard length
- Connects amplifier to force sensor
- Data transfer and power supply
Specifications & Details
Review detailed force transducer specifications and model versions below.