Mid-Sized General Purpose Square Force Platform Sensor

Model No. MC6

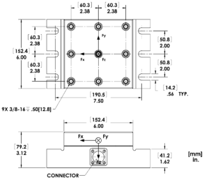
The MC6 is a square-top sensor that is designed for long term stability and reliable performance. This transducer is available in multiple vertical load capacities between 1,000 lb and 4,000 lb (see Specifications Tables). Providing up to six channels of output, the MC6 avoids excessive zero shift and exhibits maximum stiffness when mounted. The six inch top surface is equipped with threaded inserts and the flanged base allows for T-slot mounting.


Built to endure harsh and extensive testing, this transducer is manufactured from a 7075-T6 aluminum alloy, and contains special seals to prevent water and oil contamination. Elastomeric O-ring seals protect the internal strain gages and wiring, and the anodized exterior resists corrosion and environmental wear.

See the below for more details.

Complete your system with our state-of-the-art Gen-5 amplifier

AMTI's Gen-5 signal conditioner (amplifier) features advanced functionality and built-in digitization to provide you with a powerful and flexible system. Connect to your PC and start collecting data straight out of the box.
Learn More
System Information
AMTI's industrial sensors can be paired with optional components to create a complete system.

Specifications & Details

Review detailed force transducer specifications and model versions below.

Technical Drawings