Large Rugged Platform Transducer with Mounting Inserts

Model No. MC12

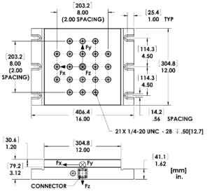
The MC12 is the ideal sensor for manufacturing and machining measurements. With a 12 in. square top mounting surface, this six-axis transducer is equipped with 21 threaded inserts, as well as a flanged base for T-slot mounting. Built with 7075-T6 aluminum alloy, the MC12 is designed to withstand harsh testing and manufacturing conditions with precise repeatability. A protective anodized finish is used on the exterior to resist corrosion.


The MC12 is available in 3 vertical capacities, ranging from 1000 lb to 4000 lb (see Specifications Tables). The four sensing elements inside the transducer are bolted to the top and bottom plates that comprise the body. Viton seals are also used throughout the body of the sensor. Elastomeric O-ring seals protect the strain gages and wiring to maximize long term consistency and reliable performance.

See the below for more details.

Complete your system with our state-of-the-art Gen-5 amplifier

AMTI's Gen-5 signal conditioner (amplifier) features advanced functionality and built-in digitization to provide you with a powerful and flexible system. Connect to your PC and start collecting data straight out of the box.
Learn More
System Information
AMTI's industrial sensors can be paired with optional components to create a complete system.

Specifications & Details

Review detailed force transducer specifications and model versions below.

Technical Drawings