Durable Rectangular Manufacturing / Machining Transducer
Model No. MC36
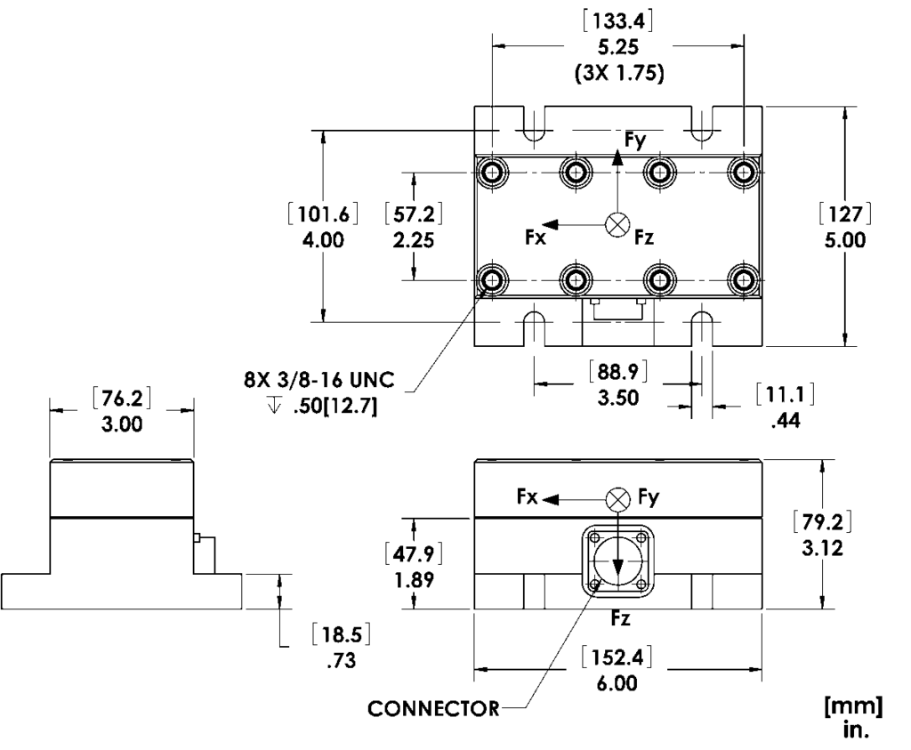
The durable MC36 is built to perform consistently throughout harsh manufacturing and testing conditions. Constructed as a double element series of multi-axis load cells, this transducer provides 6 channels of forces and moments in the X, Y, and Z axes. The MC36 is a rectangular, 7075-T6 aluminum model with threaded inserts on top and a flanged base. A steel base is also available for use with magnetic chucks.
Featuring a 3 x 6 in. area, the MC36 is available in 4 vertical capacities between 100 and 1,000 lb (see Specifications Tables). The load cell construction consists of two top and bottom plates connected by two cylindrical strain elements, and it’s equipped with elastomeric O-ring seals to protect the strain gages and wiring. Complete with an anodized finish, this sensor is resistant to corrosion and environmental wear.
Complete your system with our state-of-the-art Gen-5 amplifier
System Information
 
            Transducer Cable
- 30 ft. standard length
- Connects amplifier to force sensor
- Data transfer and power supply
Specifications & Details
Review detailed force transducer specifications and model versions below.
 
       
             
             
     
               
              