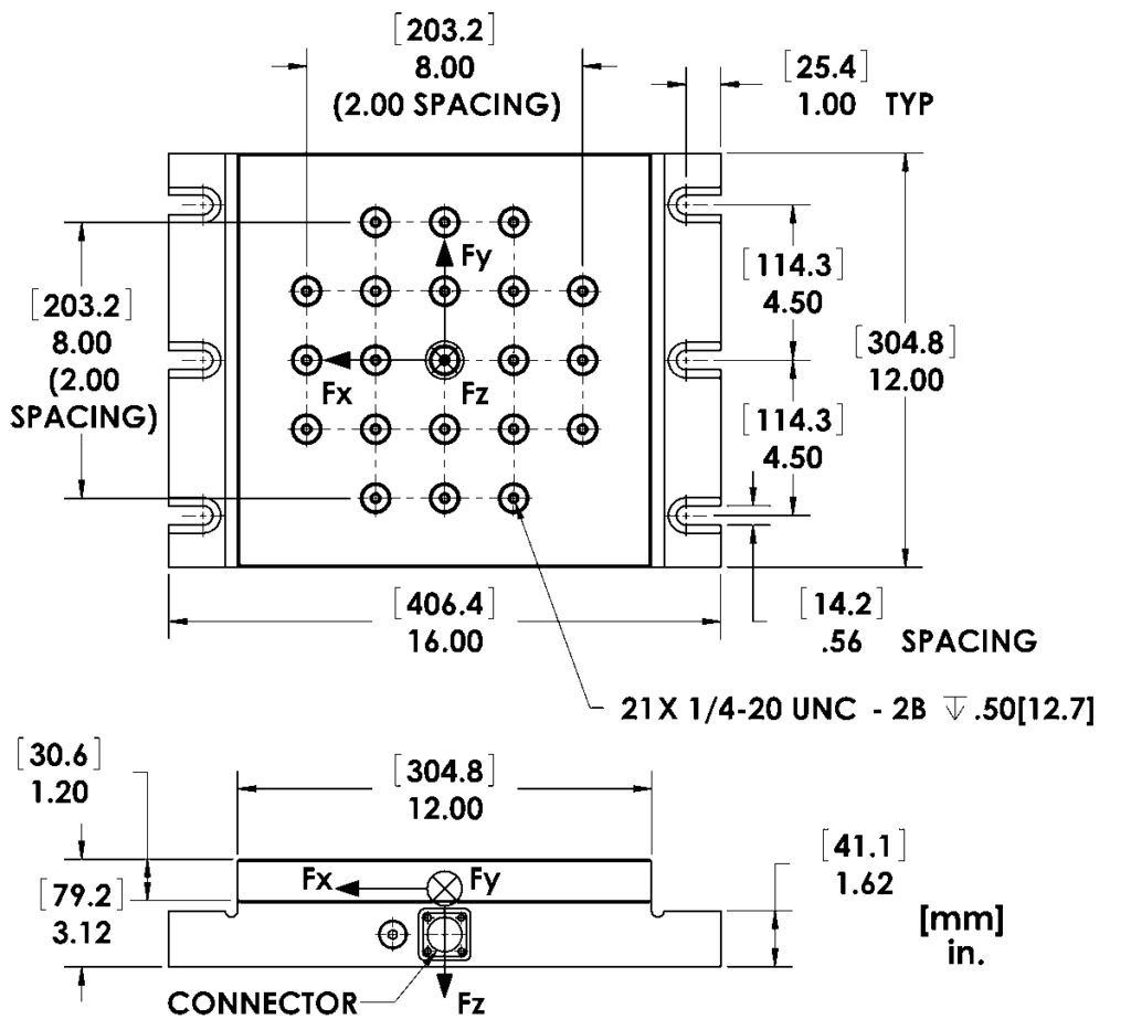
Large Rugged Platform Transducer with Mounting Inserts
Model No. MC12
The MC12 is the ideal sensor for manufacturing and machining measurements. With a 12 in. square top mounting surface, this six-axis transducer is equipped with 21 threaded inserts, as well as a flanged base for T-slot mounting. Built with 7075-T6 aluminum alloy, the MC12 is designed to withstand harsh testing and manufacturing conditions with precise repeatability. A protective anodized finish is used on the exterior to resist corrosion.
The MC12 is available in 3 vertical capacities, ranging from 1000 lb to 4000 lb (see Specifications Tables). The four sensing elements inside the transducer are bolted to the top and bottom plates that comprise the body. Viton seals are also used throughout the body of the sensor. Elastomeric O-ring seals protect the strain gages and wiring to maximize long term consistency and reliable performance.
Complete your system with our state-of-the-art Gen-5 amplifier
System Information

Transducer Cable
- 30 ft. standard length
- Connects amplifier to force sensor
- Data transfer and power supply
Specifications & Details
Review detailed force transducer specifications and model versions below.