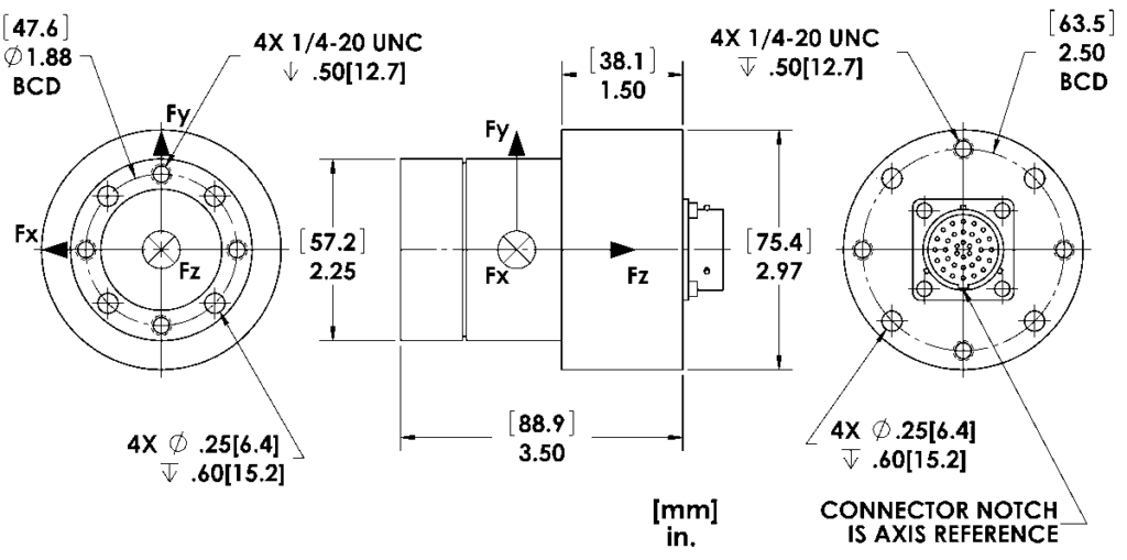
Submersible IP68 Compact Cylindrical Force-Torque Sensor

Model No. UDW3

The UDW3 is a waterproof, six-component sensor designed for accurate underwater force measurements. Manufactured from heat-treated stainless steel, this 3 inch diameter sensor features an end connector and mounting surfaces equipped with threaded holes for easy attachment. The UDW3 is available in multiple load capacities between 100 lb and 1,000 lb (see Specifications Tables).


This transducer is oil-filled and features a pressure compensation bladder that equalizes the internal and external pressures on the device. The bladder expands and contracts with the increase and decrease in pressure, keeping zero pressure difference across the strain element. This allows for accurate force and moment measurements even when the sensor is submerged to depth. The UDW3 is rated for submersion in fresh water to depths of 70m for 1 continuous week. For greater depths, longer durations, or different environments, please contact AMTI.

See the below for more details.

Complete your system with our state-of-the-art Gen-5 amplifier

AMTI's Gen-5 signal conditioner (amplifier) features advanced functionality and built-in digitization to provide you with a powerful and flexible system. Connect to your PC and start collecting data straight out of the box.
Learn More
System Information
AMTI's industrial sensors can be paired with optional components to create a complete system.

Specifications & Details

Review detailed force transducer specifications and model versions below.

Technical Drawings