Waterproof IP68 Stainless Steel Force-Torque Sensor

Model No. SF1.75D

The SF1.75D is an underwater multi-axis transducer with a stainless steel body (Ø1.75 in.) designed for applications involving submersion in fresh water. The sensor is oil-filled and pressure compensated with an IP rating of 68. It features 19-pin Glenair output connector. The SF1.75D transducer incorporates a unique design that essentially eliminates the effect of hydrostatic pressure on the output.


A bladder is installed inside the transducer so that the external surface of the bladder communicates with the inside of the transducer and the internal surface of the bladder communicates with the environment. The transducer internal passages (in communication with the external bladder surface) are filled with mineral oil. The internal passage of the bladder is exposed to the environment (water pressure) through a sealed passage in the transducer body.

The bladder expands and contracts with the increase and decrease in pressure, keeping zero pressure difference across the strain element. Thus, the design eliminates pressure-induced loads on the three forces and moments.

The transducer is calibrated after it is assembled and filled with mineral oil. All parts are stainless steel and rated for use in water. The connector is hermetically sealed and its metal jacket is stainless steel.

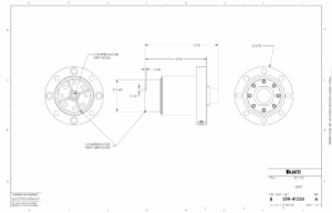
The base of the SF1.75D provides a flange with 4 x 0.256″ diameter counter-bored mounting thru-holes, suitable for 1/4-20 SHCS hardware. The base also has 4 x 0.251″ dia. holes for optional alignment pins. Base mounting features are located on a 2.5″ BCD (Bolt Circle Diameter). The top surface of the transducer provides 4 x 10-32 threaded mounting holes for load attachment and 4 x 0.189″ dia. holes for optional alignment pins. Both top surface feature are located on a 1.25″ BCD. Finally, the top surface has 4 notches that communicate the hydrostatic pressure of the submerged transducer with the internal bladder of the device.

See the below for more details.

Complete your system with our state-of-the-art Gen-5 amplifier

AMTI's Gen-5 signal conditioner (amplifier) features advanced functionality and built-in digitization to provide you with a powerful and flexible system. Connect to your PC and start collecting data straight out of the box.
System Information
AMTI's industrial sensors can be paired with optional components to create a complete system.

Specifications & Details

Technical Drawings