SPS600900-GT

Special Purpose Series (SPS)

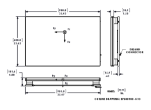
The SPS600900-GT features an extreme 600x900mm viewing area through a 40mm thick glass top. The unique design of this force plate allows activities on the top surface of the force plate to be viewed and recorded from the underside.


View & record activities from underneath

The unique design of AMTI glass top force platforms allows for activities performed on the top of the force plate to be viewed and recorded from underneath. This feature is popular for analysis of footwear and shoe treads and is used among some of the top shoe manufacturers in the world.
System Information
All AMTI glass top mounted force platform systems ship standard with the force plate, a GEN-5 amplifier, a 30-foot force plate-to-amplifier cable, and the necessary mounting equipment.

Force Plate Cable

  • 30 ft. standard length
  • Connects amplifier to force plate
  • Data transfer and power supply

Mounting Kit

  • 1 pair of mounting rails
  • Epoxy and dispenser
  • Installation fixtures and instructions

Specifications & Details

Technical Drawings