HE6x6

The HE6X6 is a compact, portable force platform for quantifying very low loads. This 6″x6″ multi-axis force platform is a portable solution ideal for human proprioception testing and small animal applications. This platform comes in a variety of capacities, ranging from 1 to 20 lb. of maximum vertical force.


The HE6x6 features a one piece sensing element that provides extremely high overload protection on all axes. Typically greater than 100x capacity. Top & bottom mounting holes are provided in the force platform, but are not needed for many applications.

Only the platform, cable, power supply interface box (PJB-101) and a computer are needed to collect data.

See the below for more details.

Working with low loads?

Mice, small birds, hands, fingertips...you name it. AMTI's HE6x6 is the perfect compact, portable platform for quantifying low loads, and is commonly used for small animal applications.
Accompanying NetForce Software
System Information
AMTI’s HE6x6 low load, portable force platform offer a clean and simple package, featuring internal amplification, high overload protection, and digital (RS-232) or analog output to connect to your PC.

Digital Output (RS-232)

  • Single or dual-plate RS-232 connections provided
  • PJB-101 junction box, 2m serial cable, 4.3m RJ modular cable
  • Serial-to-USB converter

Optional Analog Output

  • 8-channel analog output
  • 10-pin ribbon cable included
  • Stripped wire (5405FB) or BNC (5405F) cables available

Power Supply

  • Powered through PJB-101 (digital or analog)
  • 7.5V, 200 mA
  • 2 provided for dual-plate

Specifications & Details

Review detailed force plate specifications below.

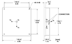
Technical Drawings